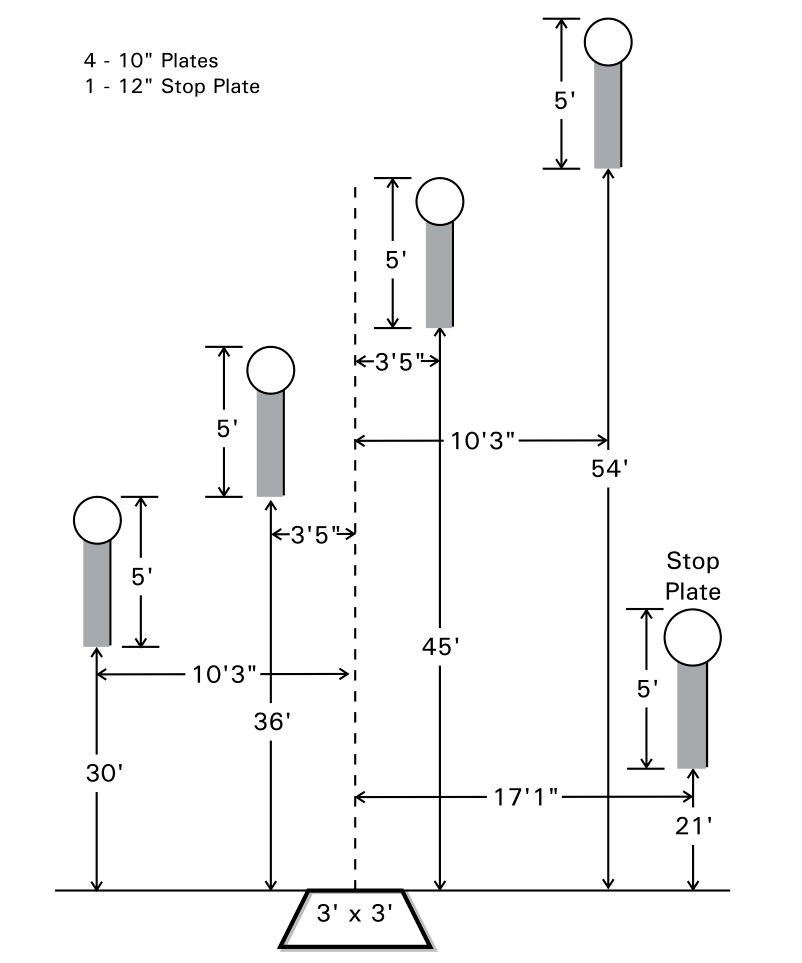
1: 5 To Go (SC-101)
Start position: All divisions wrists above shoulders, except rimfire and PCC divisions which use low ready start position.
Stage procedure: Upon start signal, from Box A engage the target plates in any order, then engage the stop plate.
Scoring: Time Only - Best 4 Runs Out of 5.